Wkład Kominkowy Defro Home Intra S
w sprzedaży
towar niedostępny
dodaj do przechowalni
Opis
Wkład kominkowy DEFRO HOME INTRA S
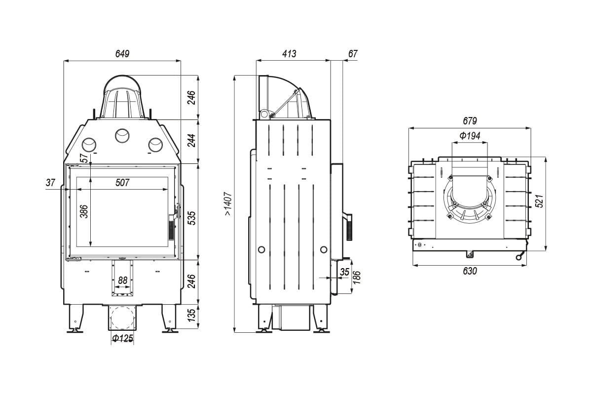
Dane techniczne:
10 kW
4 - 12 kW
A
200 mm
80,1 %
0,07%
267°C
12±2 Pa
500 mm
125 mm
500 cm²
700 cm²
5 lat
~200 kg
czarny ceramiton, klamka po drugiej stronie, czarna klamka, akumulacja Thermoblock, podwójna szyba
Seria DEFRO HOME INTRA została stworzona z myślą o harmonii pomiędzy ekologią, designem i ekonomią. Wkłady kominkowe z serii DEFRO HOME INTRA doskonalne sprawdzą się podczas palenia rekreacyjnego i z powodzeniem ogrzeją cały dom. Nowoczesna konstrukcja i szczelne palenisko pozwala aby się cieszyć jego możliwościami w domach pasywnych oraz z rekuperacją. Autorskie rozwiązania gwarantują oszczędność energii i bezawaryjną obsługę urządzenia.
Seria występuje w czterech odsłonach, w zależności od wielkości paleniska:
XSM, SM, ME, LA.



Opcje dodatkowe:
Nowoczesne stalowe ramki ozdobne do wkładów kominkowych pozwalają w prosty sposób wykończyć połączenie obudowy wkładu z drzwiami wkładu kominkowego. Główną zaletą ramki jest możliwość szybkiego i łatwego montażu. Instalację blendy można wykonać samemu, bez konieczności użycia specjalistycznych narzędzi.
Ramka ozdobna jest pomalowana farbą odporną na wysokie temperatury w kolorze wkładu co powoduje, że całość idealnie się komponuje, wygląda estetycznie i bardzo elegancko.


Dla wszystkich pragnących zmaksymalizować odzysk ciepła ze swojego kominka, mamy autorskie rozwiązanie akumulacji THERMOBLOCK. Nowym użytkownikom kominków pozwala cieszyć się ze swojego ekologicznego źródła ogrzewania emitującego przyjazne i naturalnie zdrowe ciepło na drodze radiacji.
Materiał THERMOBLOCKu zapewni długofalowe działanie oraz zoptymalizuje moc wkładu kominkowego. Rozbudowany system zawiesi i nasad akumulacyjnych pozwala na spersonalizowanie THERMOBLOCKa do potrzeb każdego wnętrza.
Najważniejsze zalety:
- zmaksymalizowany odzysk ciepła ze spalin kominkowych
- autorski skład mieszanki szamotowej THERMOBLOCK (oddawanie zakumulowanego ciepła także po zakończeniu palenia we wkładzie)
- opatentowana esencja akumulacji o doskonałych parametrach koncentrujących i przewodzących ciepło
- nie wymaga żadnej impregnacji, jest jednorodnym i spójnym materiałem
- nie pyli, nie wydziela żadnych zapachów i szkodliwych substancji
- możliwość doboru odpowiedniej ilości nasad wg zapotrzebowania Klienta
- pomoc przy optymalizacji mocy i sprawności wkładu kominkowego
- idealnie dopasowane nasady, nie wymagają cięcia i dodatkowego formowania
- zwiększenie pojemności cieplnej kominka
- zmaksymalizowany odzysk ciepła metodą konwekcji z wkładu kominkowego

Zestaw nasad akumulacyjnych:
- możliwość doboru odpowiedniej ilości nadstaw wg zapotrzebowania Klienta
- dedykowana metalowa nadstawka trzymająca zestaw
- waga 1 rzędu zestawu nasad to 16 kg

Zestaw zawiesi akumulacyjnych bocznych:
- możliwość doboru odpowiedniej ilości zawiesi wg zapotrzebowania Klienta
- dedykowany metalowy uchwyt mocujący akumulację
- waga 1 zestawu zawiesia tylnego to 25 kg

Zestaw zawiesi akumulacyjnych tylnych:
- możliwość doboru odpowiedniej ilości zawiesi wg zapotrzebowania Klienta
- dedykowany metalowy uchwyt mocujący akumulację
- waga 1 zestawu zawiesia bocznego to 16 kg

Pliki do pobrania:
Dane techniczne
| Dolot Powietrza | Tak |
| Materiał | Urządzenia stalowe |
| Do Rekuperacji | Tak |
| Eko Projekt | Tak |
| Współpraca z DGP | Tak |
| Szerokość | 61-70 cm |
| Otwieranie Drzwi | Na Bok |
| Paliwo, Opał | Drewno, Brykiet |
| Moc Nominalna | 10 kw (ogrzewa 100 m2) |
| Przeszklenie | Szyba Prosta |
Koszty dostawy
Cena nie zawiera ewentualnych kosztów płatności
Opinie o produkcie (0)
Zaloguj się
Waluty
Wyświetlane są wszystkie opinie (pozytywne i negatywne). Nie weryfikujemy, czy pochodzą one od klientów, którzy kupili dany produkt.